首页
产品线
纺粘无纺布生产线
纺熔无纺布生产线
环境保护计划
应用领域
公司
新闻
项目快讯
展会快讯
公司快讯
联系方式
语言
中文
English
首页
>
线条
>
纺熔无纺布生产线
>
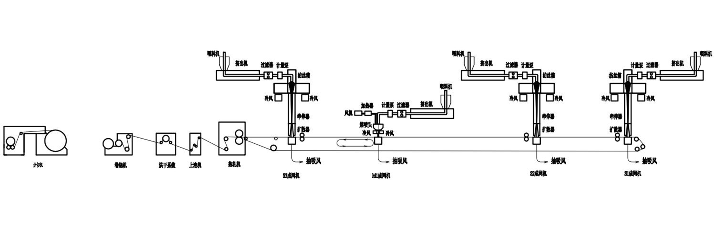
SSMS生产线
拉链闭合 男士1/5拉链运动套头衫。弹性、轻便、快干 面料,提供卓越性能。 正常版型 - 美国标准尺码。贴身的运动版型,贴近身体 以获得广泛的运动范围,设计用于最佳性能和全天 舒适度。 特点 - 四分之一拉链闭合;长袖带拇指孔,可在锻炼中固定在位。
联系我们
×
产品信息
数量
单位
件
支持订单样品,定制,批发直销,并完成支付。如果您寻找的产品没有相应的定制内容,请填写下面的表格与我们联系,我们会尽快回复。
询盘